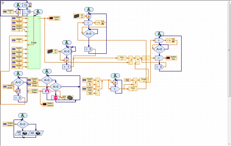
Hauptprogramm

Konstruiert und fotografiert von Kacker303.
Hochgeladen am 24.5.2009, 19:31 von Kacker303.  1 / 3

Die Übersicht über das Programm

schnaggels (4.6.2009, 08:47:24)

Wer das nicht abtippen will, wurde auch als Programm hochgeladen: http://www.ftcommunity.de/data/downloads/robopro/rpm1.rpp