Unterprogramm Messen

Konstruiert und fotografiert von Gaffalover.
Hochgeladen am 2.1.2012, 19:55 von Gaffalover.  7 / 7

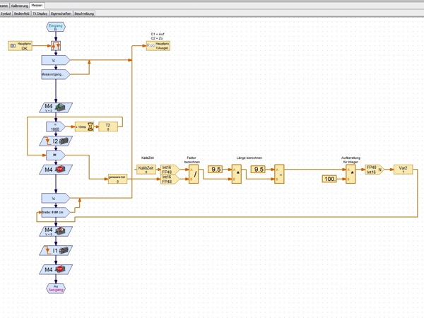
Unterprogramm Messen - Dient einerseits zum Erfassen der Zeit bis zum berühren des Objektes, als auch zur Umrechnung der zeitlichen Differenz und der Ausgabe des Wertes in Centimetern auf dem Displays des TXs.

Dirk Fox (5.1.2012, 01:41:57)

Hallo Gaffalover, hier habe ich die lange Kette der Operatoren in Verdacht - damit habe ich auch schon schlechte Erfahrungen gemacht. Zu viele Operatoren “nebeneinander” (also quasi “gleichzeitig”) können den TX überfordern (siehe auch den Hinweis in der Online-Hilfe zu Funktionen, 8.8.6). Möglicherweise wird die Rechnung schon genauer, wenn Du sie in mehr Einzelschritte (mit jeweils einem Zuweisungsbefehl) aufteilst. Gruß, Dirk

Stefan Falk (5.1.2012, 11:15:09)

Tach auch!

Wie bitte? Das TX, mit einer 32-Bit-CPU mit vielen vielen Hz getaktet und einem Berg voll Speicher - kann die paar Rechenoperationen nicht ausführen? Da fällt mir ja echt nix mehr ein. Wie gut, dass ich den überspringe.

Gruß, Stefan

Dirk Fox (6.1.2012, 01:23:37)

Hallo Stefan, nach der Online-Hilfe garantiert die Firmware eine Befehlsausführung je ms (für einen Steuerungscomputer wohl auch eine sinnvolle Anforderung). In Reihe geschaltete Operatoren werden als ein Befehl interpretiert - das könnte mit drei Konvertierungen (Ganzzahl-Fließkommazahl), einer Fließkommadivision und zwei Fließkommamultiplikationen eng werden. Um es genauer abzuschätzen, müsste man die Befehls-Taktzyklen des ARM kennen… Gruß, Dirk

Gaffalover (6.1.2012, 13:25:28)

Hm, müsste man sich nochmal mit auseinander setzen. Danke für den Tipp!